Searching...

Moeller PKE Eaton XTPE Accessories

Systematic Solutions

The motor-protective circuit-breaker PKE has versatile, approved accessories available from the xStart range for safe and rational control panel construction.

Modular standard components optimally matched to one another and simple to combine fulfil the customer requirements for exchangeable "standard" devices.

System advantages at a glance:

Expandable: Flexible solutions for divergent demands

  • Uses the existing system accessories from the system xStart

Modular (plug-in): Fast and cost-effective mounting and wiring

  • Configuration of motor-starter combinations up to 15A with plug-in main current wiring

International: No problems with export of machines and systems

  • Worldwide approved system components and accessories
PKE / XTPE Accessories Family Shot

Auxiliary Contacts

Auxiliary
Contacts
Contact
Conf.
Contact
Sequence
Screw Terminal
Part Number
Moeller Eaton
Side-Mount Auxiliary Contacts
Moeller NHI11-PKZ0 / Eaton XTPAXSA11 Side-Mount Auxiliary Contacts 1NO-1NC NHI11-PKZ0 XTPAXSA11
1NO-1NC NHI12-PKZ0 XTPAXSA12
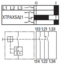
2NO-2NC NHI21-PKZ0 XTPAXSA21

Can be fitted on the right side of manual motor protectors (XTPB, XTPR, XTPM) and manual transformer protectors (XTPT) and can be combined with XTPAXSATR_ and XTPAXFA_ trip indicating auxiliary contact.

Front-Mount Auxiliary Contacts
Moeller NHI-E-11 / Eaton PKZ0XTPAXFA11 Front-Mount Auxiliary Contacts 1NO-1NC NHI-E-11-PKZ0 XTPAXFA11

Can be fitted to manual motor protectors (XTPB, XTPR, XTPM) and manual transformer protectors (XTPT). 45 mm (XTPR…B and XTPB) or 55 mm (XTPR…D) widths of manual motor protectors remain unchanged.

Side-Mount Trip Indicating Auxiliary Contacts - For Use With XTPE...
Moeller AGM2-10 / Eaton PKZ0XTPAXSATR20 Side-Mount Trip Indicating Auxiliary Contacts - For Use With XTPE... 2 x 1NO AGM2-10-PKZ0 XTPAXSATR20
2 x 1NO AGM2-01-PKZ0 XTPAXSATR02

Can be fitted on the right side of manual motor protectors. Can be combined with standard auxiliary contacts. Trip indication: A. General trip indication (overload) B. Short-circuit trip. Local short-circuit indication by red indicator, manually resettable.
NOTE: (1) Orders must be placed in multiples of package quantity listed.


Shunt and Undervoltage Release

Shunt Release
Moeller
Screw Terminal
Part Number
Eaton
Screw Terminal
Part Number
Moeller A-PKZ0 / Eaton XTPAXSR Shunt Release A-PKZ0(24V50HZ) XTPAXSR24V50H
A-PKZ0(48V50HZ) XTPAXSR48V50H
A-PKZ0(110V50HZ) XTPAXSR110V50H
A-PKZ0(120V60HZ) XTPAXSR120V60H
A-PKZ0(208V60HZ) XTPAXSR208V60H
A-PKZ0(220V50HZ) XTPAXSR220V50H
A-PKZ0(230V50HZ) XTPAXSR230V50H
A-PKZ0(240V50HZ) XTPAXSR240V50H
A-PKZ0(240V60HZ) XTPAXSR240V60H
A-PKZ0(380V50HZ) XTPAXSR380V50H
A-PKZ0(400V50HZ) XTPAXSR400V50H
A-PKZ0(415V50HZ) XTPAXSR415V50H
A-PKZ0(440V60HZ) XTPAXSR440V60H
A-PKZ0(480V60HZ) XTPAXSR480V60H
A-PKZ0(24VDC) XTPAXSR24VDC
A-PKZ0(48VDC) XTPAXSR48VDC
A-PKZ0(60VDC) XTPAXSR60VDC
A-PKZ0(110VDC) XTPAXSR110VDC
A-PKZ0(125VDC) XTPAXSR125VDC
A-PKZ0(220VDC) XTPAXSR220VDC
A-PKZ0(250VDC) XTPAXSR250VDC

Can be used to trip the manual motor protector from a remote location. Can be fitted on the left side of manual motor protectors. Cannot be combined with the XTPAXUVR. DC: Intermittent operation 5 sec.

Undervoltage Release
Moeller U-PKZ0 / Eaton XTPAXUVR Undervoltage Release U-PKZ0(24V50HZ) XTPAXUVR24V50H
U-PKZ0(24V60HZ) XTPAXUVR24V60H
U-PKZ0(48V50HZ) XTPAXUVR48V50H
U-PKZ0(60V50HZ) XTPAXUVR60V50H
U-PKZ0(110V50HZ) XTPAXUVR110V50H
U-PKZ0(120V60HZ) XTPAXUVR120V60H
U-PKZ0(208V60HZ) XTPAXUVR208V60H
U-PKZ0(220V50HZ) XTPAXUVR220V50H
U-PKZ0(230V50HZ) XTPAXUVR230V50H
U-PKZ0(240V50HZ) XTPAXUVR240V50H
U-PKZ0(240V60HZ) XTPAXUVR240V60H
U-PKZ0(240V50HZ) XTPAXUVR240V50H
U-PKZ0(400V50HZ) XTPAXUVR400V50H
U-PKZ0(415V50HZ) XTPAXUVR415V50H
U-PKZ0(440V60HZ) XTPAXUVR440V60H
U-PKZ0(480V60HZ) XTPAXUVR480V60H
U-PKZ0(600V60HZ) XTPAXUVR600V60H

Can be used to trip the manual motor protector from a remote location. Can be fitted on left side manual motor protectors. Cannot be combined with XTPAXSR. When combined with a circuit breaker, it can be used as emergency-stop device to IEC/EN 60204.
NOTE: Orders must be placed in multiples of package quantity listed.

Accessories

Three-Phase Commoning Links (7)
For Use
With...
Qty.
MMP
Length
of Link
(mm)
Unit
Width
(mm)
Moeller
Part
Number
Eaton
Part
Number
Moeller B3.0/2-PKZ0 / Eaton XTPAXCLKA2 Three-Phase Commoning Links MMP with no side-mounted
auxiliaries or voltage releases
2 90 45 B3.0/2-PKZ0 XTPAXCLKA2
Moeller B3.0/3-PKZ0 / Eaton XTPAXCLKA3 Three-Phase Commoning Links 3 135 45 B3.0/3-PKZ0 XTPAXCLKA3
Moeller B3.0/4-PKZ0 / Eaton XTPAXCLKA4 Three-Phase Commoning Links 4 180 45 B3.0/4-PKZ0 XTPAXCLKA4
Moeller B3.0/5-PKZ0 / Eaton XTPAXCLKA5 Three-Phase Commoning Links 5 225 45 B3.0/5-PKZ0 XTPAXCLKA5
Moeller B3.1/2-PKZ0 / Eaton XTPAXCLKB2 Three-Phase Commoning Links Each MMP with one auxiliary
contact or trip-indicating auxiliary
contact fitted on the right
2 99 45 + 9 B3.1/2-PKZ0 XTPAXCLKB2
Moeller B3.1/3-PKZ0 / Eaton  XTPAXCLKB3 Three-Phase Commoning Links 3 153 45 + 9 B3.1/3-PKZ0 XTPAXCLKB3
Moeller B3.1/4-PKZ0 / Eaton XTPAXCLKB4 Three-Phase Commoning Links 4 207 45 + 9 B3.1/4-PKZ0 XTPAXCLKB4
Moeller B3.1/5-PKZ0 / Eaton XTPAXCLKB5 Three-Phase Commoning Links 5 261 45 + 9 B3.1/5-PKZ0 XTPAXCLKB5
Moeller B3.2/2-PKZ0 / Eaton XTPAXCLKC2 Three-Phase Commoning Links Each MMP with an auxiliary
contact and trip-indicating
auxiliary contact mounted on
the right or a voltage release
mounted on the left.
2 108 45 + 18 B3.2/2-PKZ0 XTPAXCLKC2
For parallel power feed to several manual motor protectors on terminals
1, 3 and 5.

Door coupling handle — Protection type IP65,  UL/CS Type 4X / Type12
Moeller PKE-XRH / Eaton XTPEXRHMRY Door coupling handle For use as
main switch
to IEC/EN 60204
black Plug-in extension shaft
PKZ0-XAH can be cut to
desired length for mounting depths
of 100…240 mm
Carrier with extension shaft
included in delivery.
With ON/OFF switch position
and “+” (tripped), lockable
with 3 padlocks,
4 – 8 mm hasp.
PKE-XH XTPEXRHMB
For use as
main switch
with Emergency-
Stop function to
IEC/EN 60204
red-yellow PKE-XRH XTPEXRHMRY
For use as a
main switch
to EN 60204
in MCC
power distribution
systems
and with PKE
installed when
rotated
by 90°
black PKE-XH-MCC XTPEXRHM90B
For use as a
main switch
to EN 60204
in MCC
power distribution
systems
and with PKE
installed
when rotated
by 90°
red-yellow PKE-XRH-MCC XTPEXRHM90RY
Shroud for Unused Terminals of Three-Phase Commoning Links
Moeller H-B3-PKZ0/ Eaton XTPAXUTS Shroud for Unused Terminals of Three-Phase Commoning Links For Use with… Description Moeller
Part Number
Eaton
Part Number
Frame B
XTPE
To cover unused terminals on three-phase
commoning link. Protected against direct
contact.
H-B3-PKZ0 XTPAXUTS
Incoming Terminals for Three-Phase Commoning Link (8)
Moeller BK25/3-PKZ0 / Eaton XTPAXIT Incoming Terminals for Three-Phase Commoning Link For Use With... Moeller
Part Number
Eaton
Part Number
Frame B XTPE BK25/3-PKZ0 XTPAXIT

NOTES:
(1) Plug-in connection shafts, XTPAXRHMSFT_ can be cut to desired length for mounting depths of 100–240 mm. Carrier with extension shaft included
(2) With ON/OFF switch position and “+” (tripped), lockable with 3 padlocks, 4–8 mm hasp. Can be locked in the OFF position, if required.
(3) Rotary handle mechanisms ship with door interlock disabled. See instruction publication with product for how to enable door interlock.
(4) Orders must be placed in multiples of package quantity listed.
(5) For use on main switches to IEC/EN 60204.
(6) For use on main switches with emergency-stop function to IEC/EN 60204.
(7) Protected against accidental contact. Frame B short-circuit proof U e = 690V, I u = 63A. Frame B links can be combined by rotating mounting.
(8) For three-phase commoning link, protected against accidental contact, U e = 690V, I u = 63A; For conductor cross-sections: 2.5–25 mm 2 stranded; 2.5–16 mm 2 flexible with ferrules, AWG 14-6.

Combination Connection Kits

Non-Reversing Starters
Moeller PKZM0-XDM12 / Eaton XTPAXTPCB Non-Reversing Starters For Use
With...
Description/
Comprised of …
Moeller
Part Number
Eaton
Part Number
XTPE…B +
XTCE…B
Mechanical connection
element
for XTPR…B
and contactor
PKZM0-XDM12 XTPAXTPCB
Main current wiring
between XTPR…B
and contactor
in toolless plug connection
Use contactor auxiliary
switch XTCEXFAT_.
Control cable guidance: max.
six cables
up to 2.5 mm 2 external diameter
or four cables up to 3.5 mm 2
external diameter.
Moeller PKZM0-XDM32 / Eaton XTPAXTPCC Non-Reversing Starters XTPR…B +
XTCE…C
DIN rail adapter plate
Main current wiring between
XTPR and contactor
PKZM0-XDM32 XTPAXTPCC
Reversing Starters
Moeller PKZM0-XRM12 / Eaton XTPAXTPCRB Reversing Starters XTPE…B +
XTCE…B01_
Mechanical connection
element for XTPR…B
and contactor
PKZM0-XRM12 XTPAXTPCRB
Reversing starter main
current wiring in toolless
plug connection
Control cables for
electrical interlocking in toolless
plug connection:
– K1M: A1–K2M: 21
– K1M: 21–K2M: A1
– K1M: A2–K2M: A2
Cable guidance
Use contactor auxiliary
switch XTCEXFAT_.
Control cable guidance: max.
six cables
up to 2.5 mm 2 external diameter
or four cables up to
3.5 mm 2 external diameter.
Electrical Connection Module
Moeller PKZM0-XM32DE / Eaton XTPAXECMC Electrical Connection Module XTPE…B +
XTCE…C
Main current wiring
between XTPR…B
and contactor
PKZM0-XM32DE XTPAXECMC
DIN Rail Adapter Plates
Moeller PKZM0-XC45 / Eaton XTPAXTPCPB DIN Rail Adapter Plates XTPAXTPCB
XTPAXTPCRB
45 mm wide adapter plate
with one DIN rail
PKZM0-XC45 XTPAXTPCPB
Connection element for
side-by-side positioning
of further plates
SmartWire-DT communication link
Moeller PKE-SWD-32 / Eaton PKE-SWD-32 SmartWire-DT communication link XTPE…B +
XTCE…B or C
SmartWire-DT
communication link
PKE-SWD-32 PKE-SWD-32

Additional Accessories

Incoming terminal
Incoming terminal For Use
With...
Description/
Comprised of …
Moeller Eaton
Moeller BK25-3-PKZ0-U / Eaton XTPAXOT For PKE32 use and
rated currents
exceeding 32 A
For three-phase
commoning link protected
against accidental contact
U e = 690 V, I u = 63 A
For conductor cross-sections:
2.5 – 25 mm 2 stranded
2.5 – 16 mm 2 fl exible
with ferrules
For use on terminals 2, 4, 6
BK25-3-
PKZ0-U
XTPAXOT
Relay function module
Moeller PKE-XZMR(230V50HZ) / Eaton XTPEXZMRF For use with PKE
advanced trip blocks
When using PKE-XZMR module
an overload does not
cause the motor-protection
circuit-breaker to trip.
The overload indication
is produced by means of
two auxiliary
contacts.
PKE-XZMR XTPEXZMRF
Fixing bracket
Moeller PKE32-XMB / Eaton XTPEXMBB For screw fixing to mounting plate PKE32-XMB XTPEXMBB
Motor connect plug for motor starter combinations — Motor plate with PE module without contact plate
Moeller DILM12-XMCP / Eaton XTCEXMCPTB PKZM0/PKE + DILM(C)7
PKZM0/PKE + DILM(C)9
PKZM0/PKE + DILM(C)12
PKZM0/PKE + DILM(C)15
MSC-D(E)-…-M7…
MSC-D(E)-…-M9…
MSC-D(E)-…-M12…
MSC-D(E)-…-M15…
DILM12-XMCP/T XTCEXMCPTB