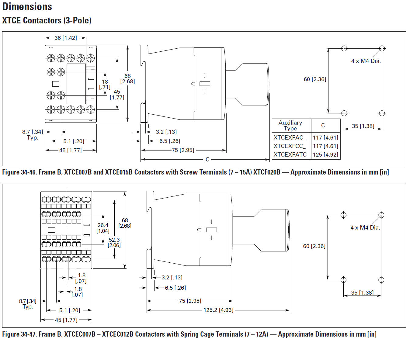
Frame B
Shop By Category
Circuit Breakers & Disconnects
Contactors
Industrial Relays
Limit Switches
Miniature Circuit Breakers
Motor Controllers
Motor Protectors
Motor Starters
Overload Relays
PLC
Pilot Devices
Rotary Switches
Soft Starters
Stack Lights