Searching...

Moeller ZW7-125
is now
EATON XTOT125C3S
Current Transformer-Operated
Overload Relay

For Separate Mounting. Use with ANY Contactor

SAME EXACT PART- ONLY PART # CHANGE
Part Adjustable Range Auxiliary Contacts Short Circuit Protection
(Max 600 VAC)
Normally Open Normally Closed Fuses (A) Circuit Breaker (A)
ZW7-125 85 - 125 1 1 As required by associated contactor overload relay is self protecting.
ZB32-0.4
(Actual part may vary)

ZW7 Series Overloads

Adjustable
Range
Short Circuit Protection
(Max 600 VAC)
Moeller Logo Eaton Logo
Fuses (Amps) Circuit Breaker
(Amps)
42 - 63 As required
by associated
contactor.
Overload relay
is self-protecting
ZW7-63 (1) XTOT063C3S (1)
60 - 90 ZW7-90 (1) XTOT090C3S (1)
85 - 125 ZW7-125 (1) XTOT125C3S (1)
110 - 160 ZW7-160 (1) XTOT160C3S (1)
160 - 240 ZW7-240 (1) XTOT240C3S (1)
190 - 290 ZW7-290 (1) XTOT290C3S (1)
270 - 400 ZW7-400 (1) XTOT400C3S (1)
360 - 540 ZW7-540 (1) XTOT540C3S (1)
420 - 630 ZW7-630 (1) XTOT630C3S (1)

(1) Overload has one normally closed contact that opens upon trip and one normally open contact that closes when tripped.

Ambient compensated, Bi-Metallic tripping mechanism, Phase failure sensitive to IEC/EN 60947, Manual/Automatic reset button, Built in NO and NC auxiliary contacts.

ZW7 Tripping Characteristics
[34.3KB]

ZW7 Technical Overview
[ 2.27MB]

Mechanical Push Rod for ZW7-125


Click to View Accessory Options


ZW7-125 Typical Wiring

ZB32 overload wirediagram

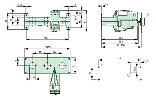
ZW7-125 Dimensions

ZB150-35 Dimensions Front