Searching...


Moeller ZE-1.6
is now
EATON XTOM1P6AC1

For Direct Mounting with DILEEM and DILEM

SAME EXACT PART- ONLY PART # CHANGE
Adjustable
Setting Range
Normally
Open
Normally
Closed
Short Circuit Protection
by fuses
max. 600 V
AC
by Circuit
Breaker max. 600 V
AC
1.0 - 1.6 1 1 6 15



UL listed File No. E 29184 CSA certified File No. 45958 + 43359 Phase-failure sensitivity to IEC/EN 60 947

ZE Series Overloads

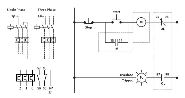
(1) Overload has one normally closed contact that opens upon trip and one normally open contact that closes when tripped.

Class 10A overload, Trip response from 2 to 10 seconds, Ambient compensated, Bi-Metallic tripping mechanism, Phase failure sensitive to IEC/EN 60947, Manual/Automatic reset button, Built in NO and NC auxiliary contacts.

ZE Overloads
Mount Directly on these Contactors

Amps HP@ Built-in Contactor Auxiliary Moeller Logo Eaton Logo
AC-3 AC-1 240 480
6 xx 2 3 N.O. DILEEM-10 XTMC6A10
N.C. DILEEM-01 XTMC6A01
6 xx 2 3 N.O. DILEEM-10-G XTMC6A10
N.C. DILEEM-01-G XTMC6A01
9 xx 3 5 N.O. DILEM-10 XTMC9A10
N.C. DILEM-01 XTMC9A01
9 xx 3 5 N.O. DILEM-10-G XTMC9A10
N.C. DILEM-01-G XTMC9A01

Mechanical Push Rod for ZE-1.6


Click to View Accessory Options

ZE-1.6 Typical Wiring

ZB32 overload wirediagram

ZE-1.6 Dimensions


ZE-4 Dimensions