Searching...

Moeller Z5 Thermal Overload Relay Index


Z5 Overload Relay

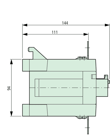
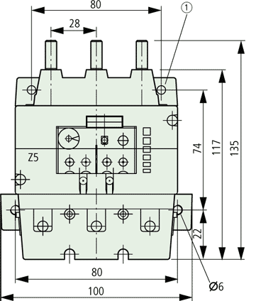
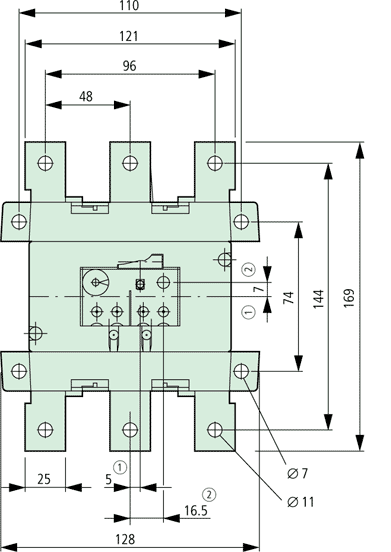
Z5 Dimensions
Contactor Mounted Relays




Z5 Dimensions
Separately Mounted Models