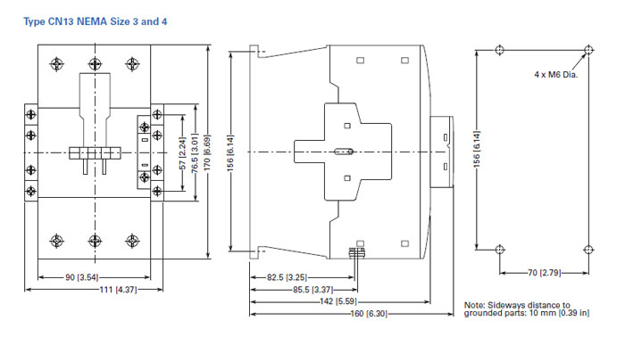
Type CN13/53
Space-Savings
Three-Pole Non-Reversing
Contactor
NEMA Size = 4
Continuous Ampere Rating = 135
NOTE: Add Coil Suffix Code (see table below)
For Complete Part Number

Space-Savings
Three-Pole Non-Reversing
Contactor
NEMA Size = 4
Continuous Ampere Rating = 135
NOTE: Add Coil Suffix Code (see table below)
For Complete Part Number
| NEMA Size |
Continuous Ampere Rating |
Service Limit Current Rating (Amps) |
Maximum UL Horsepower Three-Phase |
Three-Pole Non-Reversing (1) Part Number |
Three-Pole Reversing (1) Part Number |
|
|---|---|---|---|---|---|---|
| 230V | 480V | |||||
| 0 | 18 | 21 | 2 | 5 | CN13BN010_ | - |
| 1C | 27 | 32 | 3 | 10 | CN13CN010_ | CN53CN011_ |
| 1 | 27 | 32 | 3 | 10 | CN13DN000_ | CN53DN011_ |
| 2 | 45 | 52 | 7-1/2 | 25 | CN13GN000_ | CN53GN011_ |
| 3 | 90 | 104 | 15 | 50 | CN13KN000_ | CN53KN011_ |
| 4 | 135 | 156 | - | 100 | CN13MN000_ | - |
| 5 (3) | 270 | 311 | - | 200 | CN13SN022_ | - |
NOTES:
(1) Underscore (_) indicates coils suffix required - See Below.
| Coil Voltage | Suffix Code |
|---|---|
| Sizes 0–2 | |
| 110V 50 Hz, 120V 60 Hz | A |
| 220V 50 Hz, 240V 60 Hz | B |
| 24–27 Vdc | TD |
| Sizes 3, 4 | |
| 100–120V 50/60 Hz | A |
| 190–240V 50/60 Hz | B |
| 24–27 Vdc | TD |
| Sizes 5 | |
| 100–120V 50/60 Hz | A |
| 24–48 Vdc | TD |
| Description | Size 3 CN13KN000_ |
Size 4 CN13MN000_ |
|---|---|---|
| General | ||
| Standards | IEC/EN 60947, VDE 0660, UL, CSA, CCC, RoHS |
IEC/EN 60947, VDE 0660, UL, CSA, CCC, RoHS |
| Weights in kg [lb] | ||
| AC operated | 2 [4.41] | 2 [4.41] |
| DC operated | 2.1 [4.63] | 2.1 [4.63] |
| Mechanical life—operations | 10,000,000 | 10,000,000 |
| Climatic proofing | (1) | (1) |
| Insulation voltage (Ui) Vac | 690 | 690 |
| Impulse withstand voltage (Uimp) Vac | 8000 | 8000 |
| Operational voltage (Ue) Vac | 690 | 690 |
| Safe isolation to VDE 0106 Part 101 and Part 101/A1 | ||
| Between coil and contacts (Vac) | 690 | 690 |
| Between contacts (Vac) | 690 | 690 |
| Making capacity (amps) | 1610 | 2100 |
| Breaking capacity (amps) | ||
| 220/230V | 1150 | 1500 |
| 380/400V | 1150 | 1500 |
| 500V | 1150 | 1500 |
| 660/690V | 1100 | 1200 |
| 1000V | — | — |
| Short-circuit protection rating maximum fuse | ||
| Type 2 coordination (2) 400V; gG/gL 500V |
250 | 25 |
| Type 2 coordination (2) 690V; gG/gL 690V |
25 | 250 |
| Type 1 coordination (2) 400V; gG/gL 500V |
250 | 250 |
| Type 1 coordination (2) 690V; gG/gL 690V |
250 | 250 |
| Degree of protection | IP00 | IP00 |
| Protection against direct contact when actuated from front (IEC 536) |
Finger and back-of-hand proof |
Finger and back-of-hand proof |
| Terminal capacity main cable—screw terminals | ||
| Solid (mm2) | — | — |
| Flexible with ferrule (mm2) | 1 x (10–95) 2 x (10–70) |
1 x (10–95) 2 x (10–70) |
| Stranded (mm2) | 1 x (10–95) 2 x (10–20) |
1 x (10–95) 2 x (10–20) |
| Flat conductor (number of segments x width x thickness) (mm) |
2 x (6 x 16 x 0.8) | 2 x (6 x 16 x 0.8) |
| Solid or stranded (AWG) | 8–3/0 | 8–3/0 |
| Main cable connection screw/bolt | M10 | M10 |
| Tightening torque - Nm | 14 | 14 |
| Tightening torque - Lb-in | 123.9 | 123.9 |
| Terminal capacity control circuit cable—screw terminals | ||
| Solid (mm2) | 1 x (0.75–4) 1 x (0.75–4) |
1 x (0.75–4) 1 x (0.75–4) |
| Flexible with ferrule (mm2) | 1 x (0.75–2.5) 2 x (0.75–2.5) |
1 x (0.75–2.5) 2 x (0.75–2.5) |
| Solid or stranded (AWG) | 18–14 | 18–14 |
| Control circuit cable connection screw/bolt | M3.5 | M3.5 |
| Tightening torque Nm |
1.2 | 1.2 |
| Tightening torque Lb-in |
10.6 | 10.6 |
| Tools | ||
| Main circuit cable—screw terminals Hexagon socket-head spanner (mm) |
5 | 5 |
| Control circuit cable—screw terminals | Size 2 | Size 2 |
| Pozidriv screwdriver | 0.8 x 5.5 | 0.8 x 5.5 |
| Standard screwdriver | 1 x 6 | 1 x 6 |
| Terminal capacity control circuit cable—spring cage terminals | ||
| Solid (mm2) | 1 x (0.75–2.5) 2 x (0.75–2.5) |
1 x (0.75–2.5) 2 x (0.75–2.5) |
| Flexible (mm2) |
1 x (0.75–2.5) 2 x (0.75–2.5) |
1 x (0.75–2.5) 2 x (0.75–2.5) |
| Flexible with ferrule (mm2) |
1 x (0.75–2.5) 2 x (0.75–2.5) |
1 x (0.75–2.5) 2 x (0.75–2.5) |
| Control circuit cable—spring cage terminals Stripping length (mm) |
10 | 10 |
| Screwdriver blade width (mm) | 3.5 | 3.5 |
| Mounting position, AC and DC operated | ![]() |
![]() |
| Ambient temperature Open |
–25 to 60°C [–13 to 140°F] |
–25 to 60°C [–13 to 140°F] |
| Ambient temperature Enclosed |
–25 to 40°C [–13 to 104°F] |
–25 to 40°C [–13 to 104°F] |
| Ambient storage temperature |
–40 to 80°C [–40 to 176°F] |
–40 to 80°C [–40 to 176°F] |
| Environmental - Mechanical shock resistance (IEC/EN 60068-2-27) |
||
| Half-sinusoidal shock 10 ms Main contact—NO contact |
10g | 10g |
| Auxiliary contact—NO contact | 7g | 7g |
| Auxiliary contact—NC contact | 5g | 5g |
| Overvoltage category/pollution degree | III/3 | III/3 |
NOTES:
(1) Damp heat, constant, to IEC 60068-2-78; damp heat, cyclic, to IEC 60 068-2-30.
(2) IEC 60947 Standard.
