Searching...

Eaton / Moeller Series

PKZ2/ZM-4033724

In Stock

4A, 3P, manual motor protector, adjustable thermal/magnetic trip, UL/CSA

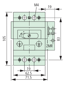
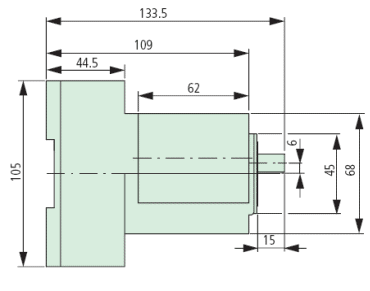
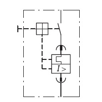
The Moeller PKZ2/ZM-4 is a high-performance manual motor protector designed for motor protection applications in industrial environments. This assembly includes the PKZ2 base module and the ZM-4-PKZ2 overload module. It offers an adjustable thermal trip range from 2.4 to 4A, allowing it to match a motor’s full load current (FLC), while the magnetic trip range of 35 to 55A ensures fast response to short-circuit conditions. The PKZ2/ZM-4 is UL and CSA certified and is rated for 3-phase motors up to 1 HP at 230V and 2 HP at 460V, providing a reliable and compliant solution for motor protection.

Country of Origin: DE

Eaton Authorized Distributor

We source directly from Eaton - 100% genuine, new-in-box certified parts.

Call Us for a Quote

Request A Quote

Get custom pricing and expert help—before or after you buy.
Fill Out Contact Form
  • Product Specifications
  • Technical Specifications
Brand Moeller
Model PKZ2/ZM-4
Series PKZ2
Product Type Manual Motor Protector
Included Modules PKZ2 (Base Module), ZM-4-PKZ2 (Overload)
Poles 3
Trip Type Adjustable Thermal & Magnetic
Amperage Range (Thermal) 2.4 – 4 A
Magnetic Trip Setting 35 – 55 A
Voltage Rating Up to 600V AC
Horsepower Rating @ 230V 1 HP (3-phase)
Horsepower Rating @ 460V 2 HP (3-phase)
Insulation Voltage 690V
Interrupting Capacity Up to 100 kA (with appropriate backup fuse)
Wiring Type Screw Terminals
Mounting DIN Rail
Certifications UL, CSA

Ask us a Question about this product

Please fill out this form and someone from our team will contact you as soon as possible. You can also reach us by phone at (866) 595-9616 or by email at sales@kmparts.com.
Product Page Contact Form

Customer Reviews

Doing business with KM Parts has been a game-changer for our company. Their vast inventory and prompt same-day shipping have significantly minimized our downtime. The team's expertise and willingness to go the extra mile have made them an invaluable partner in our industrial automation needs.

Authorized Seller

We only sell authorized Eaton/Moeller parts. No knock-offs, no used parts, all warrantied. As the largest authorized stocking USA distributor representing Eaton/Moeller, we’re here to help your company run smoothly, with the best parts available, at competitive pricing, and with minimal downtime.

Learn More  >