We source directly from Eaton - 100% genuine, new-in-box certified parts.
Eaton / Moeller Series
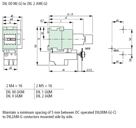
The Moeller DIL00M-11 is a compact motor contactor assembly comprising a DIL00M contactor and an 11DILM auxiliary contact block. The DIL00M is a 3-phase IEC contactor rated at 20 amps, supporting motors up to 3 HP at 230V and 5 HP at 460V. It includes three normally open power contacts. The attached 11DILM auxiliary contact block adds one normally open (NO) and one normally closed (NC) contact, each rated at 15A. This unit conforms to IEC 60947 and is suitable for installations requiring up to five combined auxiliary contacts.
We source directly from Eaton - 100% genuine, new-in-box certified parts.


| Model | DIL00M-11 |
|---|---|
| Type | 3-Phase IEC Contactor with Auxiliary Contact Block |
| Components | DIL00M + 11DILM |
| Current Rating | 20A (Main), 15A (Aux) |
| Horsepower @ 230V | 3 HP |
| Horsepower @ 460V | 5 HP |
| Power Contacts | 3 NO |
| Auxiliary Contacts | 1 NO / 1 NC |
| Mounting Notes | Max 5 aux contacts; 1 side-mount per side; not for use with DILM820-XHI |
| Standards | IEC 60947 |
Doing business with KM Parts has been a game-changer for our company. Their vast inventory and prompt same-day shipping have significantly minimized our downtime. The team's expertise and willingness to go the extra mile have made them an invaluable partner in our industrial automation needs.
We only sell authorized Eaton/Moeller parts. No knock-offs, no used parts, all warrantied. As the largest authorized stocking USA distributor representing Eaton/Moeller, we’re here to help your company run smoothly, with the best parts available, at competitive pricing, and with minimal downtime.