Searching...

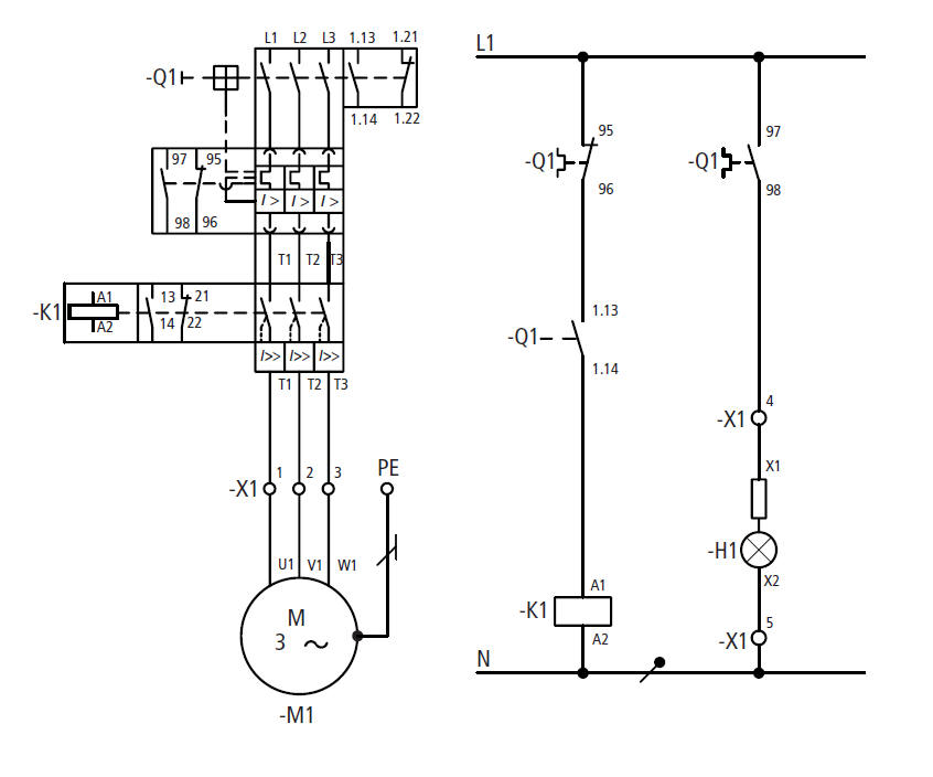
Moeller PKZ2 Magnetic Motor Protector Combinations

With High Capacity Contactor15HP@230 30HP@460

PKZ2 with ZM Overload PKZ2 with ZMR Overload
+ +
PKZ2 Features:
• Adjustable thermal and magnetic trips set in accordance with the motor FLC.
• Tamper-proof lids that cover thermal and magnetic settings when the device is on.
• Ambient compensation.
• Phase failure sensitivity.
• Coding accessory to insure insertion of correct module for the motor rating
Standard trip modules ZM-...-PKZ2 are inserted on the load side of the motor protector disconnect handle. In case of overload or short circuit, the trip module will cause the motor protector switch mechanism to open and disconnect power to the load.

Similar to the operation of an overload relay, the ZMR uses a set of auxiliary contacts to de-energize a contactor coil circuit and signal an overload condition. A short circuit will trip open the motor protector just like the standard ZM trip module. The ZMR is also supplied with a HAND/AUTO reset feature. It cannot be combined with U/A voltage trips or RE/RS remote control drives.
Click here to view the data on the PKZ2/ZM Combination Click here to view the data on the PKZ2/ZMR Combination
Click here to view the PKZ2 Features and accessories



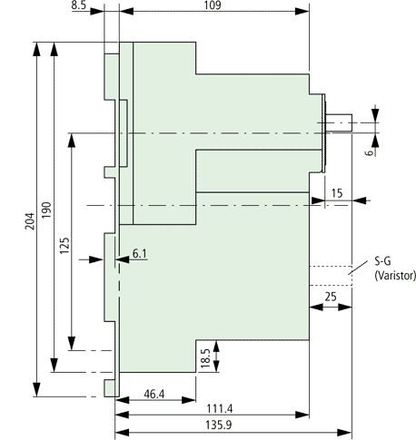
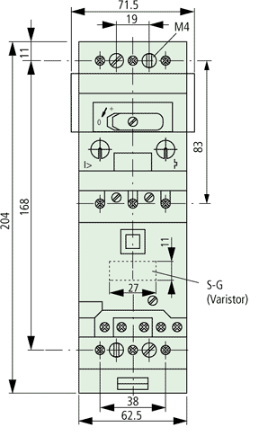
PKZ2 Dimensions

PKZ2 Dimensions Part 1


PKZ2 Dimensions Part 2