Searching...

MOELLER DILA-31
is now
EATON XTRE10B31

SAME EXACT PART- ONLY PART # CHANGE
Industrial Control Relay

DILA-31

Normally Open (Make)

Normally Closed (Break)

3 1
AC-15
380 V
400 V
415 V
Can be combined
with auxiliary
contact

Note:

4 10 DILA-XHI(V)

See Summary for details
Interlocked opposing contacts

Available voltages include:  230 V 50 Hz, 240 V 60 Hz, 24 V 50/60 Hz,  110 V 50 Hz,
120 V 60 Hz and 24 V DC

Other DILA Product Lines include:

DILA Industrial Control Relays
DILA Contactor Relays
DILA Industrial Control Relays
DILA Auxiliary Contacts
DILA Auxiliary Contacts

DILA Auxiliary Contacts
DILA Timer Modules
DILA Timer Modules

DILA Timer Modules
DILA Accessories
DILA Accessories

DILA Accessories
DILA-31 Contact Sequence
DILA-31 Contact Sequence DC Coil
DC Coil
DILA-31 Contact Sequence AC Coil
AC Coil
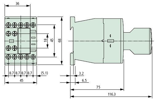
DILA-31 Dimensions
DILA-31 Dimensions
Shown with two pole top mounted auxiliary contact, four pole top mounted auxiliary contact will be slightly wider.

Inch to MM Conversion

Convert to MM

MM to Inch Conversion

Convert to Inches

DILA-31 Ordering Information

Part Number Article Number Actuating Voltage Type of Current Rated Operational
Current
Auxiliary Contact Module

220 V
230 V
240 V
l e
A

380 V
400 V
415 V
l e
A

DILA-31
(230V50HZ.240V60HZ)
276364 230V 50Hz. 240V 60Hz AC operation 6 4 DILA-XHI(V)
DILA-31
(24V50HZ)
276351 24V 50 Hz AC operation 6 4 16DILA-XHI(V)...
DILA-31
(110V50/60HZ)
276370 110 V 50/60 Hz AC operation 6 4 16DILA-XHI(V)...
DILA-31
(*V50HZ)
276376 ... V 50 Hz AC operation 6 4 16DILA-XHI(V)...
DILA-31
(*V60HZ)
276377 ... V 60 Hz AC operation 6 4 16DILA-XHI(V)...
DILA-31
(110V50HZ.120V60HZ)
276361 110V 50 Hz. 120V 60 Hz AC operation 6 4 16DILA-XHI(V)...
DILA-31
(220V50HZ.240V60HZ)
276363 220V 50 Hz. 240V 60 Hz AC operation 6 4 16DILA-XHI(V)...
DILA-31
(190V50HZ.220V60HZ)
276362 190V 50 Hz. 220V 60 Hz AC operation 6 4 16DILA-XHI(V)...
DILA-31
(220V50/60HZ)
276371 220V 50/60Hz AC operation 6 4 16DILA-XHI(V)...
DILA-31
(230V50/60HZ)
276372 230 V 50/60 Hz AC operation 6 4 16DILA-XHI(V)...
DILA-31
(24V50/60HZ)
276368 24V 50/60Hz AC operation 6 4 16DILA-XHI(V)...
DILA-31
(380V50HZ.440V60HZ)
276365 380V 50 Hz. 440V 60 Hz AC operation 6 4 16DILA-XHI(V)...
DILA-31
(400V50HZ.440V60HZ)
276366 400V 50 Hz. 440V 60 Hz AC operation 6 4 16DILA-XHI(V)...
DILA-31
(42V50/60HZ)
276369 42V 50/60Hz AC operation 6 4 16DILA-XHI(V)...
DILA-31
(TVC100)
276374 TVC100 AC operation 6 4 16DILA-XHI(V)...
DILA-31
(TVC200)
276375 TVC200 AC operation 6 4 16DILA-XHI(V)...
DILA-31
(24VDC)
276379 24 V DC DC operation 6 4 DILA-XHI(V)...
DILA-31
(110VDC)
276382 110V DC DC operation 6 4 16DILA-XHI(V)...
DILA-31
(220VDC)
276383 220V DC DC operation 6 4 16DILA-XHI(V)...
DILA-31
(48VDC)
276380 48V DC DC operation 6 4 16DILA-XHI(V)...